Контактная информация
Время работы:
Понедельник-четверг: 9:00 - 17:00
Пятницу: 9:00 - 16:00
8-017-3175941
8-029-1709660
г.Минск, ул. Селицкого, д.113А помещение №56
Доставка:
Транспортными компаниями
Оплата:
Работаем только с юридическими лицами по безналичному расчету.
- Категории
-
- Блоки резисторов ИРАК
- Гидротолкатели ТЭ
- Запчасти к грузоподъемному оборудованию
- Запчасти по чертежам заказчика
- Звонки, Сирены, Ревуны
- Командоконтроллеры
- Контакторы
- Контакты и контактные узлы
- Концевые, путевые, конечные выключатели
- Магнитные катушки
- Муфты
- Обогреватели и ТЭНы
- Переключатели
- Пускатели
- Преобразователи напряжения
- Радиоуправление и пульты управления
- Реле
- Токоприемники и токосъемники
- Тормоза колодочные
- Трансформаторы
- Тормозные колодки и заклепки
- Электромагниты
- Электрощетки и щеткодержатели
- Электродвигатели
- Электротельферы и тали
Пускатель ПМЕ-214
Электромагнитный пускатель ПМЕ 214 2з+2р, реверсивный с тепловым реле и напряжением катушек 24В, 36В, 42В, 110В, 127В, 220В, 380В
Пускатель ПМЕ-214 (24В, 42В, 110В, 220В, 380В) 2з+2р
Расшифровка условного обозначения магнитных пускателей серии ПМE-214
ПМЕ - серия пускателя
2 - номинальный габарит пускателя, на ток 25А
1 - исполнение по степени защиты IP00
4 - реверсивный с тепловой защитой (номинал теплового реле указывается при заказе)
(24В, 42В, 110В, 220В, 380В) - напряжение катушки (указывается при заказе)
2з+2р - количество дополнительных контактов (указывается при заказе, может быть 2з+2р, 4з+4р)
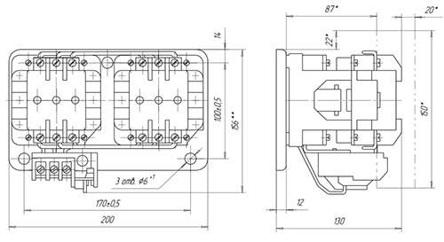
Габаритные и установочные размеры ПМЕ 214
По поводу приобретения пускателей, катушек и контактов ПМЕ-214 и другой технической информации вы можете обратиться к нашим менеджерам.
Характеристики
- Серия
- ПМЕ
- Номинальное рабочее напряжение, В
- 24В, 36В, 42В, 110В, 127В, 220В, 380В
- Род тока
- переменное (AC)
- Величина номинально тока, А
- 25
- Число полюсов
- 3
- Схема контактов
- 2з+2р, 4з+4р
- Масса, кг
- 3.1