Контактная информация
Время работы:
Понедельник-четверг: 9:00 - 17:00
Пятницу: 9:00 - 16:00
8-017-3175941
8-029-1709660
г.Минск, ул. Селицкого, д.113А помещение №56
Доставка:
Транспортными компаниями
Оплата:
Работаем только с юридическими лицами по безналичному расчету.
- Категории
-
- Блоки резисторов ИРАК
- Гидротолкатели ТЭ
- Запчасти к грузоподъемному оборудованию
- Запчасти по чертежам заказчика
- Звонки, Сирены, Ревуны
- Командоконтроллеры
- Контакторы
- Контакты и контактные узлы
- Концевые, путевые, конечные выключатели
- Магнитные катушки
- Муфты
- Обогреватели и ТЭНы
- Переключатели
- Пускатели
- Преобразователи напряжения
- Радиоуправление и пульты управления
- Реле
- Токоприемники и токосъемники
- Тормоза колодочные
- Трансформаторы
- Тормозные колодки и заклепки
- Электромагниты
- Электрощетки и щеткодержатели
- Электродвигатели
- Электротельферы и тали
Пускатель ПМЛ-4100
Магнитный пускатель ПМЛ-4100 на номинальный ток 65А, IP00, нереверсивный, без теплового реле, исполнений 1"з"+1"р". Катушки управления 24В; 36В; 42В; 110В; 230В; 400В
Магнитный пускатель ПМЛ-4100, структура обозначения и основные технические характеристики:
ПМЛ - Серия пускателя
4 - величина пускателя, на номинальный ток 65А
1 - нереверсивный без теплового реле
0 - степенью защиты IP00, без кнопок
0 - Число и исполнение контактов вспомогательной цепи, по умолчанию исполнение (1з+1р)
На электромагнитные пускатели ПМЛ 4100, может быть установлена управляющая катушка на номинальное напряжение:
24В; 36В; 42В; 110В; 230В; 400В частоты 50 Гц;.
Магнитные пускатели ПМЛ-4100 могут быть прекрасной альтернативой для замены магнитных пускателей следующих серий:
ПМЛ-4100 (1з+1р) для ПМ12-063150
ПМЛ-4100 (2з+2р) для ПМ12-063151, ПМЕ-411, ПАЕ-411, ПМА-4100, ПМА-4102, ПМ15-063111, КМИ-35012, КМИ-46512
!!! ВАЖНО: При замене пускателей различных серий учитывайте габаритные и установочные размеры, они могут существенно отличаться.
Принципиальная электрическая схема контактора ПМЛ 4100
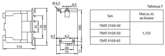
Габаритные и установочные размеры ПМЛ4100:
Предлагаем купить пускатели, контакты и катушки ПМЛ-4100 по доступным ценам, доставка к заказчику в города Беларуси. На все вопросы, связанные с приобретением, получением консультации о технических и эксплуатационных характеристиках электромагнитных пускателей ПМЛ-4100, вам ответят наши менеджеры.
Характеристики
- Серия
- ПМЛ
- Номинальное рабочее напряжение, В
- 24; 36; 42; 110; 230; 400
- Род тока
- переменное (AC)
- Величина номинально тока, А
- 65
- Схема контактов
- 1з+1р
- Степень защиты ГОСТ14255-80
- IP00
- Масса, кг
- 1.155