Контактная информация
clear
Контактная информация
Время работы:
Понедельник-четверг: 9:00 - 17:00
Пятницу: 9:00 - 16:00
8-017-3175941
8-029-1709660
г.Минск, ул. Селицкого, д.113А помещение №56
Доставка:
Транспортными компаниями
Оплата:
Работаем только с юридическими лицами по безналичному расчету.
Контактная информация
- Категории
-
- Блоки резисторов ИРАК
- Гидротолкатели ТЭ
- Запчасти к грузоподъемному оборудованию
- Запчасти по чертежам заказчика
- Звонки, Сирены, Ревуны
- Командоконтроллеры
- Контакторы
- Контакты и контактные узлы
- Концевые, путевые, конечные выключатели
- Магнитные катушки
- Муфты
- Обогреватели и ТЭНы
- Переключатели
- Пускатели
- Преобразователи напряжения
- Радиоуправление и пульты управления
- Реле
- Сиденья машинистов, кресло крановщика
- Троллейный шинопровод
- Токоприемники и токосъемники
- Тормозные резисторы
- Тормоза колодочные
- Трансформаторы
- Тормозные колодки и заклепки
- Электромагниты
- Электрощетки и щеткодержатели
- Электродвигатели
- Электротельферы и тали
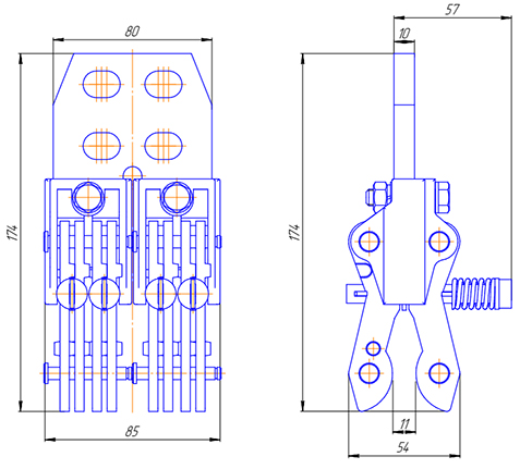
Контактный узел АВМ20
Контактный узел АВМ20 в сборе для автоматического выключателя АВМ20 на номинальный ток 2000А
Sorry, no items left.
Контактный узел АВМ представляет из себя пластину с установленными втычными контактами АВМ20
Контактный узел АВМ15 на номинальный ток 1500А, покрытие СР24
--------------------------------------------------------------------------------------------------

Контактный узел АВМ20 на номинальный ток 2000А, покрытие СР24
Чтобы получить консультацию или купить узел контактный АВМ оставьте заявку на сайте или позвоните по нашим телефонам.
Особые артикулы
В этой категории 16 товаров:
Новые поступления